Logo www.aquapond.sk

Menu

Dopyt na bazén

AQUAPOND - prijateľné ceny, výrazné zľavy pri nákupe nad 300€. Stačí vložiť tovar do košíka a podľa výšky nákupu sa vypočíta výška zľavy. Čím väčší nákup, tým väčšia zľava. Ceny dohodou!  Informujte sa na telefónnych číslach: 0905 500 955, 0915 696 394, 0917 412 193. Tešíme sa na Vás!

<<  77/133 >>

Držiak sond transparentný D 063


Držiak sond transparentný D 063

Popis

Držiak na sondy slúži na osadenie ľubovoľných sond alebo teplotných čidiel do bazénovej rúry bez nutnosti rozoberania celej technológie Prečítajte si viac
Kód produktu: 087406



Výhodné ceny

Overené zákazníkmi

Rýchle dodanie

20 rokov na trhu

Vernostný program


  • Držiak sond transparentný D 063

    Držiak na sondy slúži na osadenie ľubovoľných sond alebo teplotných čidiel do bazénovej rúry bez nutnosti rozoberania celej technológie.

    • Jedinečné riešenie, modularita a ľahká inštalácia
    • Závitové spoje umožňujú namontovať akýkoľvek držiak snímača, jeho priezor
    • Perfektné dosadanie snímačov a ich napojenie pomocou SNS®
    • Poskytuje viacnásobné možnosti pripojenia, ľahko sa rozoberá
     

    Príklad inštalácie cely na potrubie:


     



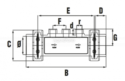
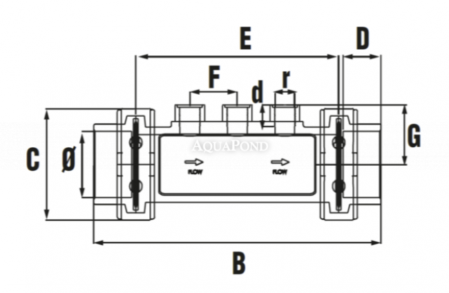
    Technické parametre

    • Typ produktu: Cela pre 3 sondy
    • Jednoduchá inštalácia: Áno
    • Napojenie (int.): 63 mm
    • Možnosť rozšírenia: Áno
    • Hmotnosť: 0,88 kg


     

    Kód pr. Názov A B C D E F r d kg
    087406 Držiak sond transparentný D 063 272 125 36 192 45 57 1/2´´ 16 0,88
  • K tomuto produktu môžete potrebovať

    Poradie Číslo Obrázok Kód Názov produktu ks Cena
    1.
    9900106670
    -
    +

    18,80 EUR/ks
    Kúpiť
    Cena spolu: 18,80 EUR
    Vložiť všetky do košíka
  • Doprava a platba

    Tovar zasielame prepravnými službami Packeta ( 3000+ výdajných miest na Slovensku) a SDS. Tovar je možné po predchádzajúcej objednávke vyzdvihnúť osobne v našom sklade v Orechovej Potôni 311. Doprava je ZADARMO pri objednávke tovaru nad 200 Eur. Platbu môžete realizovať dobierkou, online platobnou kartou, prevodom na účet alebo cez PayPal. Pri osobnom vyzdvihnutí je možná platba v hotovosti a platobnou kartou.
    O termíne dodania Vám ochotne poradíme na tel. číslach: 
    +421 915 696 394, +421 905 500 955, +421 911 545 479. Detailnejšie informácie o spôsoboch dopravy nájdete v sekcii Obchodné podmienky.

  • Súvisiace produkty


    Držiak sond VA.
    Kód produktu: S9900101N500

    Cena s DPH: 33,75 €
    Dostupnosť: Expedícia do 24 hod.
    36 ďalších

    Držiak sond VA.
    Kód produktu: S9900101N500

    Cena s DPH: 33,75 €
    Dostupnosť: Expedícia do 24 hod.
    36 ďalších
    Nové

    Vlepovacia armatúra so štyrmi predvŕtanými ...
    Kód produktu: AK13395

    Cena s DPH: 45,60 €
    Dostupnosť: Expedícia do 24 hod.
    36 ďalších
    Nové

    Vlepovacia armatúra so štyrmi predvŕtanými ...
    Kód produktu: AK13395

    Cena s DPH: 45,60 €
    Dostupnosť: Expedícia do 24 hod.
    36 ďalších

    Držiak na sondy slúži na osadenie ľubovoľných ...
    Kód produktu: 087407

    Cena s DPH: 51,66 €
    Dostupnosť: Do 5 dní
    36 ďalších

    Držiak na sondy slúži na osadenie ľubovoľných ...
    Kód produktu: 087408

    Cena s DPH: 140,10 €
    Dostupnosť: Do 5 dní
    36 ďalších


Zdielajte tento produkt
Facebook  Twitter  Google  LinkedIn  Pinterest  Email 

Naposledy prezerané produkty

KONTAKTY

E-shop pre bazény a jazierka
 +421 905 500 955
 +421 915 696 394
 servis@aquapond.sk
 objednavky@aquapond.sk

Bazény Compass a prestrešenia bazénov
 +421 911 545 479
 +421 907 545 479
 bartal@aquapond.sk


© Všetky práva vyhradené - www.aquapond.sk
Tvorba eshopov

Nastavenie súborov cookies
Na fungovanie našej webovej stránky používame nevyhnutné cookies (essential cookies) umožňujúce realizovať základné funkcionality webovej stránky. Tieto cookies môžete zakázať zmenou nastavení Vášho internetového prehliadača, čo však môže ovplyvniť fungovanie webovej stránky. Radi by sme tiež využívali dobrovoľné cookies (non-essential), ktoré nám pomôžu zlepšiť fungovanie našej webovej stránky. Pre ich povolenie, prosím, odkliknite súhlas.
Ochrana osobných údajov  |  Informácie o cookies
Súhlasím Prispôsobiť Odmietnuť
<Naspäť
Podrobné nastavenie cookies
Súbory cookie používame na zabezpečenie základných funkcií stránky a na zlepšenie vášho používateľského zážitku. Svoj súhlas pre každú kategóriu môžete kedykoľvek zmeniť.
<Nevyhnutné cookies
 
Technické súbory cookies sú nevyhnutné pre správne fungovanie našej webovej stránky. Tieto sa využívajú najmä na uchovávanie Vašich produktov v košíku, zobrazovanie obľúbených výrobkov, nastavenie Vašich preferencií a nákupného procesu. Pre využívanie technických cookies nepožadujeme Váš súhlas, ale spracúvame ich na základe nášho oprávneného záujmu. Váš prehliadač môžete nastaviť tak, aby blokoval alebo Vás upozorňoval na takéto súbory. V takom prípade však nemusia niektoré časti našej webovej stránky správne fungovať.
<Analytické cookies
 
Analytické cookies nám umožňujú meranie výkonu a počet návštev našej webovej stránky.
<Marketingové cookies
 
Marketingové cookies sú využívané reklamnými a sociálnymi sieťami na prispôsobenie zobrazovaných reklám tak, aby pre vás boli čo najzaujímavejšie.
Povoliť všetky Povoliť zvolené Odmietnuť
Uložiť Odmietnuť