| Menu |
AQUAPOND - prijateľné ceny, výrazné zľavy pri nákupe nad 300€. Stačí vložiť tovar do košíka a podľa výšky nákupu sa vypočíta výška zľavy. Čím väčší nákup, tým väčšia zľava. Ceny dohodou! Informujte sa na telefónnych číslach: 0905 500 955, 0915 696 394, 0917 412 193. Tešíme sa na Vás!

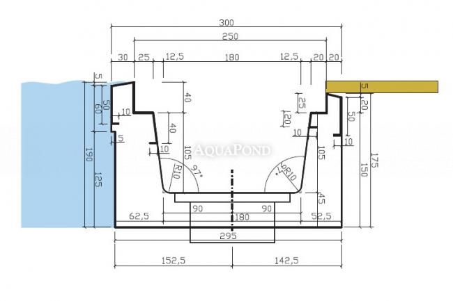
S hornou hranou potiahnutou plastom PVC pre ľahké navarenie PVC fólie.
Tovar zasielame prepravnými službami Packeta ( 3000+ výdajných miest na Slovensku) a SDS. Tovar je možné po predchádzajúcej objednávke vyzdvihnúť osobne v našom sklade v Orechovej Potôni 311. Doprava je ZADARMO pri objednávke tovaru nad 200 Eur. Platbu môžete realizovať dobierkou, online platobnou kartou, prevodom na účet alebo cez PayPal. Pri osobnom vyzdvihnutí je možná platba v hotovosti a platobnou kartou.
O termíne dodania Vám ochotne poradíme na tel. číslach: +421 915 696 394, +421 905 500 955, +421 911 545 479. Detailnejšie informácie o spôsoboch dopravy nájdete v sekcii Obchodné podmienky.
E-shop pre bazény a jazierka
+421 905 500 955
+421 915 696 394
servis@aquapond.sk
objednavky@aquapond.sk
Bazény Compass a prestrešenia bazénov
+421 911 545 479
+421 907 545 479
bartal@aquapond.sk